YZOL系列振动电机产品概述:
YZOL系列立式振动电机是我公司新型立式振动电机产品,采用先进的单法兰结构,设计精巧,运行可靠,单法兰结构使得立式振动电机安装维护方便,同时可大大减轻主机重量,减小主机外形尺寸、简化主机结构、降低主机成本,使得主机对物料的处理量更大。立式振动电机主要应用于旋振筛、旋振清理机、振动破碎机、振动混料机等设备,用来产生圆形或椭圆形复合振动,用以提高筛分效率和筛分精度,完成清理零件表面质量,提高破碎或混料效果。
YZOL系列振动电机主要特点:
1.噪音低、能耗低、效率高。
2.体积小、重量轻、启动迅速。
3.安装便捷、维护简单、寿命长。
4.激振力易于无级调整且调节范围广、振动无机械传导。
YZOL型振动电机工作原理:
YZOL型振动电机是动力源与振动源结合为一体的激振源,振动电机是在转子轴两端各安装一组可调偏心块,利用轴及偏心块高速旋转产生的离心力激振力。由电机本身运行产生易于调整的水平、垂直、倾斜等方向多元激振力,形成物料的快速平面分散、聚集、平面旋转、三维旋转等多种运动方式,用于控制排料速度、处理精度等机械性能指标,以其独特的结构特点适应于不同的机械对振动源的要求。
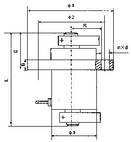
YZOL系列振动电机技术参数:

序号 | 型号 | 激振力(KN) | 功率(KW) | 电流(A) | 主要结构尺寸(mm) | A | 重量 | ||||||
L | Φ | D | H | h | h1 | (kg) | |||||||
1 | YZOL-5-4 | 5 | 0.4 | 1.15 | 375 | 270 | 224 | 172 | 15 | 15 | 30° | 40 | |
2 | YZOL-16-4 | 16 | 1.5 | 4.1 | 437 | 368 | 227 | 227 | 16 | 16 | 120 | ||
3 | YZOL-30-4 | 30 | 2.5 | 5.75 | 516 | 443 | 383 | 280 | 20 | 20 | 160 | ||
4 | YZOL-50-4 | 50 | 3.7 | 7.4 | 561 | 480 | 381 | 288 | 34 | 30 | 170 | ||
5 | YZOL-75-4 | 75 | 5.5 | 11 | 708 | 550 | 490 | 436 | 30 | 30 | 278 | ||
6 | YZOL-30-4 | 30 | 2.5 | 5.75 | 510 | 400 | 373 | 288 | 30 | 25 | 150 | ||
7 | YZOL-50-4 | 50 | 3.7 | 7.4 | 551 | 481 | 431 | 288 | 34 | 30 | 256 | ||
8 | YZOL-75-4 | 75 | 5.5 | 11 | 640 | 520 | 475 | 384 | 40 | 34 | 330 | ||
9 | YZOL-100-4 | 100 | 7.5 | 15 | 660 | 620 | 544 | 430 | 50 | 40 | 635 | ||